耐高温轴承座 UCP205-15 高温500度锅炉输送机喷涂线用满球轴承座(江苏鲁岳)
江苏鲁岳轴承制造有限公司生产的SIAIF耐高温轴承,钢厂锅炉冷热轧机输送机设备用耐350度高温深沟球轴承,在设计方面与同尺寸的标准单列深沟球轴承相同。 这些高温轴承没有装球缺口设计,既能承受径向载荷,又能承受一定的轴向载荷。
对于特定的变型,其轴承和防尘盖的整个表面都经过锰磷化处理,以提高润滑剂在金属上的粘附性,并改善轴承的运行属性。SIAIF高温轴承的径向内部游隙为多倍 C5 游隙,轴承即使在迅速冷却的情况下也不会被卡住。

SIAIF耐高温轴承座型号后缀如下:
VA201用于高温应用的轴承,配有冲压钢保持架、经轴承的套圈和滚动体经过锰磷化处理,径向游隙为多倍 C5 游隙,且使用聚亚烷基二醇(PAG)/石墨的混合物进行润滑
VA208用于高温应用的轴承,配有分段式石墨保持架,轴承的套圈和滚动体经过锰磷化处理,且径向游隙为多倍 C5 游隙
VA228用于高温应用的轴承,配有冠状石墨保持架,轴承的套圈和滚动体经过锰磷化处理,且径向游隙为多倍 C5 游隙




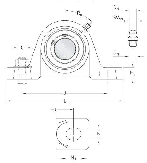
SIAIF耐高温立式外球面轴承座 UCP205-15 高温轴承座 详细参数
耐高温轴承选江苏鲁岳轴承制造有限公司,SIAIF耐高温轴承厂家主要生产不锈钢轴承、耐高温立式外球面轴承座UCP205-15 高温轴承座,SIAIF耐高温立式外球面轴承座UCP205-15 高温轴承座产品相关信息:型号:UCP205-15 高温轴承座, 品牌:SIAIF轴承 , 类型:立式外球面轴承座 , 内径:mm , 外径:mm , 厚度:mm , 想要更多的了解无锡SIAIF耐高温立式外球面轴承座UCP205-15 高温轴承座的相关产品信息,可以拨打服务热线 ,我们会为您详细介绍产品的相关服务。
江苏鲁岳轴承制造有限公司生产的SIAIF耐高温立式外球面轴承座 UCP205-15 高温轴承座 使用范围很广,主要应用于钢厂冶金、玻璃、高炉、喷漆设备、矿山机械、输送机、传输装置、锅炉风机、真空设备、窑炉窑车、机床设备、工程机械、振动筛、汽车、石油、电力、电机等高温作业机械。本公司生产的SIAIF耐高温轴承UCP205-15 高温轴承座产品价格合理,保证质量,尽一切满足客户的产品需求。


关注公众号,随时查轴承